消防改造
消防維保
主機維修
聯系我們
- 聯系人:郭經理
- 傳真:010-69552656
- 電話:400-0346-119
- 電話:010-57113119
- 郵箱:506665119@qq.com
- 地址:北京通州區新華北路117號
消防設備電源監控系統設計及應用
來源:消防維保 時間:2018-03-10 14:06:51
摘要 從系統組網方案設計、系統安裝設計和系統現場調試這三個方面介紹了某商場消防設備電源監控系統的設計及具體應用。
關鍵詞:系統組網方案設計;系統安裝設計;系統現場調試;消防設備電源狀態監控器;傳感器
0 引言
建筑物的消防安全很大程度上取決于消防設備的好壞,而消防設備能否正常工作又取決于供電電源的工作狀態。一直以來因消防設備供電電源失控造成消防設備失靈,致使火災蔓延的事情屢有發生,特別是在社會供電緊張、設備質量不佳、安全意識淡薄的時期,這一問題更顯得突出。如何從技防手段上實現對消防設備供電電源工作狀態的實時監測,一直受到公安消防部門的高度重視。并在2011年7月1日開始貫徹實施的GB 25506-2010《消防控制室通用技術要求》中做出了:“消防控制室應能顯示消防用電設備的供電電源和備用電源的工作狀態和欠壓報警信息”的強制性規定[1]。GB 28184-2011《消防設備電源監控系統》也于2011年12月28日頒布,2012年8月1日實施。該標準強制規定了消防設備電源監控系統的基本功能、試驗和檢驗規則等內容[2]。
1 工程概況
某商場綜合樓,地上7層,地下4層,總建筑面積超過11萬m2,為一類高層建筑。主要功能為專賣、餐飲、影院、花園、精品店及服務配套,其中地下2~4層為停車庫,地下1層和地上1~7層為專賣、餐飲、影院、花園、精品店和服務配套區域,屋頂局部為設備用房。
根據智能化管理要求,需要對整個商場綜合樓的消防設備供電電源的工作狀態進行全過程連續監測、集中控制和統一調度。
2 消防設備電源監控系統簡介
AFPM消防設備電源監控系統能夠對消防設備電源的工作狀態進行實時的監控,通過檢測消防設備電源的電壓、電流、開關狀態等有關設備電源信息,從而判斷電源設備是否有開路、短路、過壓、欠壓、缺相、錯相以及過流(過載)等故障信息并報警、記錄的監控系統。此系統具有可靠性、實時性并具有數字化、智能化、網絡化、自動化和連續監控的特性。實時反映出被監控設備電源的工作狀況,并集中顯示,從而可以有效避免在火災發生時,消防設備由于電源故障而無法正常工作的危急情況,大限度的保障消防聯動系統的可靠性。
AFPM消防設備電源監控系統主要由消防設備電源狀態監控器及傳感器組成。它采用集中供電方式,通過監控器給現場傳感器提供DC24V安全電壓,有效保證系統的穩定性和安全性。可廣泛應用于智能樓宇、高層公寓、賓館、飯店、商廈、工礦企業、重點消防單位以及石油化工、文教衛生、金融和電信等領域[3]。
3 系統組網方案設計
3.1 系統組網結構
本商場綜合樓項目的傳感器主要安裝在1#井、2#井、3#井和地下室這四個區域,由于消防設備的供電電源是一路主電源和一路備用電源,因此傳感器選用AFPM3-2AV,其中1#井分布19個AFPM3-2AV,2#井分布14個AFPM3-2AV,3#井分布28個AFPM3-2AV,地下室分布38個AFPM3-2AV,總計99個。結合傳感器數量及其實際分布情況,消防設備電源監控系統采用小型組網方式即可,即消防設備電源狀態監控器+電壓傳感器的兩層結構組網模式如圖1所示,從而簡化了系統結構設計。整個監控系統功能全面,安全可靠,探測準確,性價比高,系統內部采用RS485網絡通信,對外提供Modbus-RTU通信協議,以滿足其它標準系統的連接。

圖1 小型消防設備電源監控系統拓撲圖
3.2 現場監測設備功能及特點
AFPM3-2AV三相交流雙電源電壓傳感器用于在現場對各種消防設備的電源及設備運行狀態實時監測并進行數據采集,具有過壓、欠壓、缺相、錯相報警,同時具有事件存儲功能,報警器能夠記錄報警發生的時間、類型、參數,根據報警記錄可以分析現場情況,為消除故障提供依據;另外,此傳感器采用現場總線通信技術,上位機管理軟件可以實時監控現場的運行情況,及時發現報警信息。通過RS485接口,標準Modbus協議可以與各種標準系統相連,具有集成度高、網絡化、智能化程度高、動作特性合理等優點。
AFPM100/B消防設備電源狀態監控器采用集中式、模塊化設計,配接AFPM3-2AV三相交流雙電源電壓傳感器,對所監測的消防設備電源的運行信息、故障信息、位置信息等參數進行跟蹤采集、存儲、分析,方便用戶進行管理和監控;通過人機交互界面,將消防設備電源的工作狀態數據匯總顯示,具有管理、查看、報警和打印等多項功能。
4 系統安裝設計
4.1 系統布線設計
本商場綜合樓項目的消防設備電源監控系統的布線設計應遵循以下準則:
1)系統的布線,應符合GB 50303《建筑電氣裝置工程施工質量驗收規范》的要求。
2)在管內或線槽內的穿線,應在建筑抹灰及地面工程結束后進行。在穿線前,應將管內或線槽內的積水及雜物清除干凈。
3)系統應單獨布線,系統內不同電壓等級、不同電流類別的線路,不應布在同一管內或線槽的同一槽孔內。
4)導線在管內或線槽內,不應有接頭或扭結。導線的接頭,應在接線盒內焊接或用端子連接。
5)敷設在多塵或潮濕場所管路的管口和管子連接處,均應作密封處理。
6)系統導線敷設后,應對每回路的導線用500V的兆歐表測量絕緣電阻,其對地絕緣電阻應不小于50MΩ。
7)同一工程中的導線,應根據不同用途選擇不同顏色加以區分,相同用途的導線顏色應一致。電源線正極應為紅色,負極應為藍色或黑色。
8)AFPM100/B消防設備電源狀態監控器與AFPM3-2AV傳感器之間的線路距離不應超過500m,應盡可能的不要在強電及環境復雜的區域布線。監控器與傳感器之間的通訊線規格:ZR-RVSP-2×1.0mm2,電源線規格:ZR-RVS-2×1.5mm2,以上規格規格為低要求。線路穿線管宜采用金屬管。
4.2 監控器安裝設計
《消防控制室通用技術要求》中指出:“消防控制室內設置的消防設備應包括火災報警控制器、消防聯動控制器、消防控制室圖形顯示裝置、消防電話總機、消防應急廣播控制裝置、消防應急照明和疏散指示系統控制裝置、消防電源監控器等設備,或具有相應功能的組合設備。”即國標中明確規定了消防設備電源狀態監控器應安裝在消防控制室內。倘若沒有消防控制室,則應安裝在有人值班的場所。
本商場綜合樓項目的消防設備電源狀態監控器安裝在變電所值班室內,監控器的安裝應遵循以下準則:
1)監控器在墻上安裝時,其底邊距地(樓)面高度宜為1.3m~1.5m,其靠近門軸的側面距離不應小于0.5m,正面操作距離不應小于1.2m。
2)落地安裝時,其底邊宜高出地(樓)面0.1m~0.2m。
3)監控器應安裝牢固,不得傾斜。安裝在輕質墻上時,應采取加固措施。
4)監控器每一總線回路連接設備的總數不宜過多,宜應留有不少于回路額定容量10%的余量,方便以后系統擴展。
5)監控器的交流電源應使用消防電源。
根據現場情況,本項目的消防設備電源狀態監控器掛墻安裝,其底邊距地面高度為1.4m。
4.3 傳感器安裝設計
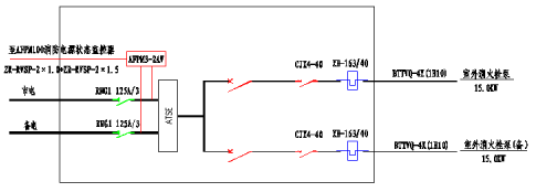
本商場綜合樓項目的AFPM3-2AV三相交流雙電源電壓傳感器安裝于斷路器或隔離開關的輸出端和雙電源切換裝置的輸入端之間,主電源電壓信號接1,2,3,4這四個端子,備用電源電壓信號接5,6,7,8這四個端子,以位于地下室區域的消火栓泵配電箱雙電壓監控為例,傳感器AFPM3-2AV安裝位置示意圖如圖2所示,實物安裝位置圖如圖3所示,電壓信號接線示意圖如圖4所示。

圖2 AFPM3-2AV安裝位置示意圖

圖3 AFPM3-2AV實物安裝位置圖

圖4 AFPM3-2AV電壓信號接線示意圖
傳感器的安裝應遵循以下準則:
1)禁止在不切斷電源的情況下安裝傳感器。
2)傳感器應獨立支撐或固定,安裝牢固,并應采取防潮、防腐蝕等措施。
3)當不具備單獨安裝條件時,傳感器可安裝在配電箱內,但不能對供電主回路產生影響。應盡量保持一定距離,并有明顯標志。
4)傳感器的安裝不應破壞被監控線路的完整性,不應增加線路接點。
5)AFPM3-2AV傳感器安裝設計時,采集電壓信號時需在相線串接規格為1A額定電流的熔斷器,總計需要6個。
6)AFPM3-2AV傳感器的供電電源不能從其它地方取得,必須由消防設備電源狀態監控器提供,供電電壓為DC24V。
5 系統現場調試
系統現場調試流程如下:
1) 監控系統接入電源,主機與傳感器之間的連接安裝完成,之后檢查各種連線規格是否滿足要求,連線是否有短路、松動現象。
2) 在施工方已完成接地絕緣電阻測試,并確定絕緣電阻滿足施工要求的前提下,用萬用表測量,接入線對大地的絕緣電阻應不小于50MΩ。
3) 首先將傳感器通電,待其穩定,報警器進行信號采集后,設置傳感器的通訊地址碼,電壓報警值等,并對傳感器的各項功能進行測試。
4) 打開監控系統主電,用萬用表測量各條線上的電壓是否正常,之后配置監控主機的系統參數(包括通訊端口、傳感器的通訊地址碼等)。檢查通訊是否連通,如通訊不能連通應檢查通訊地址碼及通訊線,直至正常通訊。對監控系統基本功能、報警、控制輸出等功能進行試驗。
5) 全部調試完畢,試運行3天。系統驗收后方能投入正常運行。
本商場綜合樓項目的消防設備電源監控畫面如圖5所示。

圖5 消防設備電源監控畫面
6 結語
本文主要從系統組網方案設計、系統安裝設計和系統現場調試三個方面介紹了某商場消防設備電源監控系統的設計及應用。消防設備電源監控系統目前還是個新生事物,相關的標準及應用機制還不夠健全。隨著該系統相關產品在實際場合的具體應用,相關問題和不足都將得到應有的處理和解決。消防設備電源監控系統作為一種預警系統,隨著現場的實際投入使用,商場的消防設備運行可靠性必將得到良好的保證,從而為商場的正常運行和人民生命財產安全保航護駕[4]。
文章來源:《智能建筑電氣技術》2015年第1期
參考文獻
[1] 公安部沈陽消防研究所,遼寧省公安消防總隊,浙江省公安消防總隊,等. GB 25506-2010 消防控制室通用技術要求[S]. 北京:中國標準出版社,2011.
[2] 公安部沈陽消防研究所,北京恒業世紀科技股份有限公司,北京原杰電子有限責任公司. GB 28184-2011 消防設備電源監控系統[S]. 北京:中國標準出版社,2012.
[3] 周中. 智能電網用戶端電力監控與電能管理系統產品選型及解決方案[M]. 北京:機械工業出版社,2011.
[4] 公安部沈陽消防研究所. GB 50116-2013 火災自動報警系統設計規范[S]. 北京:中國計劃出版社,2014.

